We use cookies to make your experience better. To comply with the new e-Privacy directive, we need to ask for your consent to set the cookies. Learn more.

Ordering Code
| Qty | Unit price |
|---|---|
| 1+ | $ 87.39 |
| 10+ | $ 65.36 |
| 20+ | $ 54.85 |
| 50+ | $ 45.25 |
| 100+ | $ 39.88 |
Features:
- Highly miniaturized: 5 x 6 x 0.8 mm
- Outputs A quad B
- Robust against oil grease, liquids, dust, particles
- Programmable resolution and max speed
- Optional with holder, cable and connector
The ID4501L incremental encoder kit consists of an encoder and a linear scale. The encoder is an integrated circuit in a PCB housing. It provides incremental A and B output signals in quadrature. The linear scale is a PCB with passive copper strips.
The resolution and the maximum speed of the encoder are user-programmable or can be programmed ex-factory.
|
Output signals |
A quad B |
|
Resolution |
down to 20 nm |
|
Scale speed |
0 up to 30 m/s |
|
A/B frequency |
0 up to 1 MHz |
|
Supply |
5V, 10 mA |
|
Temperature |
-20 to 100°C |
|
Airgap |
0.1 – 0.6 mm |



Encoder dimensions (mm).

Recommended schematic.

Recommended footprint.

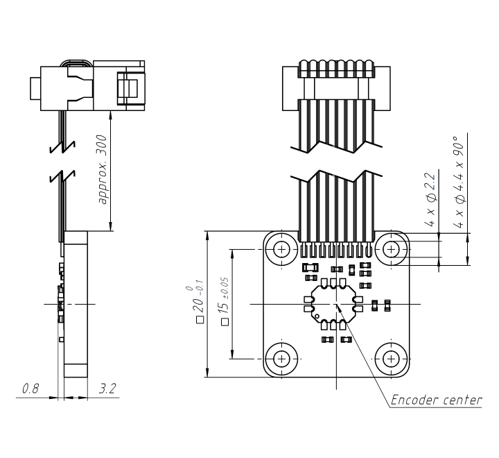
Dimensions (mm) of ID4501 encoder on encoder-holder type A with flat cable (pitch 1.27 mm) and 8-pin DIN41651 connector.




